LOS PRODUCTOS DE DPM CUMPLEN LA ECODESIGN 2022 (Normativa europea de eficiencia energética de obligado cumplimiento)

Módulos hogares Technical Mobil
El principal objetivo de Technical es ofrecer a los clientes productos de alta calidad y de larga durabilidad. Por ello, los espesores son superiores a la competencia en un 20% - 30%. Esto hace que existan garantías de 5 y 7 años según el modelo. Además, la gama de inserts y hogares es amplísima, existiendo un producto para cada necesidad que tenga el cliente.
En la categoría de hogares estamos ante uno de los mejores fabricantes del mercado y prueba de ello es que Technical ha obtenido las mas altas calificaciones en recientes pruebas de prestigiosos y exigentes laboratorios.
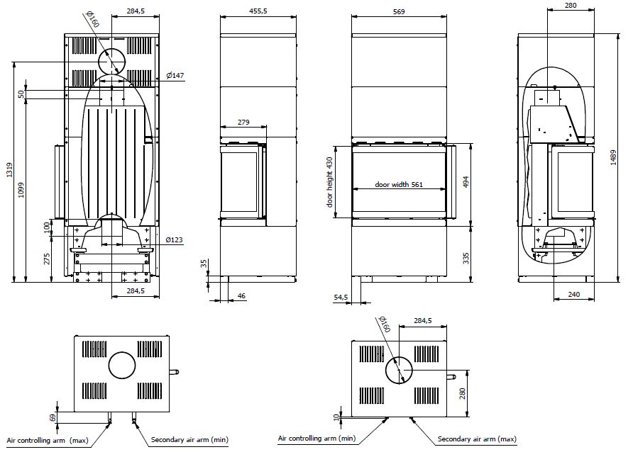
Imagen del 60 B CG L 1+2:
Aquí puede visualizar todos los modelos de la serie Mobil de Technical:
60 B CG R / L 1+2: MODULO EN COLOR NEGRO O BLANCO
60 B CG R / L 2+2: MODULO EN COLOR NEGRO O BLANCO
60 B U 2+2: MODULO EN COLOR NEGRO O BLANCO
PANTECH 80 JOY V LD MOBIL 1+2: Se suministra el hogar con la carcasa exterior, ideal para no hacer obra. Color negro o blanco.
A continuación el CATÁLOGO GENERAL TECHNICAL, pulse en él para visualizarlo:
Los hogares modulares de Technical son ideales para calentar una estancia amplia de su vivienda y además le dan un toque de diseño a su hogar sin necesidad de costosas y aparatosas obras.
A continuación el manual de usuario Technical:















































